Основные функции
При появлении устойчивого разряда сопротивление между электродами на противоположных концах колбы падает и ток протекает по цепи дроссель-электроды.
Работа ЭПРА может осуществляться в двух режимах: с предварительным подогревом электродов; с холодным запуском.
Лампу накаливания использовать на Вт, как показано на фото: Альтернативой описанным способам является использование платы от энергосберегающих ламп. ЭПРА, размещенный в цоколе В качестве примера приведем схему простого электронного балласта, типичную для большинства недорогих устройств. Указывается мощность ламп и их количество, а также технические характеристики устройства. Для её работы также не нужен дроссель и стартер.
Как правило, первой наматывают первичную обмотку, затем главную вторичную на схеме обозначена, как III. Схема ее подключения есть справа. Такой способ запуска не рекомендован для частого использования, поскольку сильно сокращает срок работы, но его можно использовать даже с лампами с неисправными электродами с перегоревшими нитями накала. Он наступает после того, как испарилась вся ртуть.
Классическая схема включения люминесцентных ламп
Возможно вам понравится одна из вариаций рассмотренной схемы. Использование электронного ПРА позволяет избавиться от большинства из перечисленных выше недостатков. Наиболее дорогостоящий элемент схемы — дросселя.
Соответственно это может привести к несчастным случаям. Также можно с легкостью обыгрывать стандартные схемы подключения и избавляться от компонентов, которые неисправны. При включении более мощных трубок емкость конденсаторов стоит увеличить. Однако подчеркнём, что такие схемы позволяют некоторое время запускать даже ЛДС со сгоревшими нитями электродов.
Это аналогичный осветительный прибор, только сильно видоизмененный. По ней сразу понятно, сколько ламп к нему подключается. В данном случае используется не сетевая частота 50 Гц , а высокие частоты 20 — 60 кГц. Лампа работает. СПОСОБ ПОДКЛЮЧЕНИЯ ЛАМПЫ ДНЕВНОГО СВЕТА БЕЗ ДРОССЕЛЯ
https://youtube.com/watch?v=jOd1pXRlIHI
Подключение без дросселя

В данном подключении дроссель не используется
Этот способ используется в основном в старых лампах при выходе из строя балласта. Сделать это можно посредством использования постоянного тока, номинал которого выше обычного. То есть напряжение в момент пуска следует повысить. Сила этого напряжения подбирается исходя из характеристик как сети, так и самого источника света.
Для подключения люминесцентной лампы без дросселя требуется подсоединение диодного моста (или пары диодов). Контакты замыкаются с обеих сторон попарно. На одну сторону источника освещения должен приходиться плюс, на другую минус.
Подобную схему можно использовать даже при сгоревшей нити накаливания. Ведь цилиндр с газом при этом способе будет подпитываться за счет постоянного напряжения. Учтите лишь, что данный способ можно использовать на короткий период – со временем труба быстро потемнеет, а затем из-за выгорания люминофора вовсе перестанет излучать свет.
Как согнуть трубу без трубогиба: простой метод изгиба трубы без заломов
Принцип работы
В начале работы появляются свободно перемещающиеся электроны. Это начинается во время включения рабочего переменного напряжения в зонах около вольфрамовых нитей внутри колбы.
Вольфрамовые нити из-за того, что покрыты пленкой из тяжёлых металлов по мере накаливания выполняют эмиссию электронов. Внешнего напряжения будет не хватать для получения электронного потока. Во время перемещения эти свободные частицы выталкивают электроны с краев атомов инертного газа (аргон). После этого они начинают также перемещаться хаотично.
Далее в итоге совместной деятельности стартера и электромагнитного дросселя получаются условия для повышения силы тока и получение тлеющего разряда аргона. Далее начинается световой поток.
Устройство изделия
Перемещающиеся атомы обладают необходимой кинетической энергией, которая нужна для перевода электронов паров ртути, которая есть в составе ЛЛ на более высокую орбиту. Получение яркого света получается в слое люминофора, который покрывает внутреннюю часть лампочки.
Принцип действия
Принцип действия люминесцентных ламп
Опишем кратко схему взаимодействия стартера, балласта и светильника:
- При подаче питания ток, проходя через ПРА, проходит через контакты стартера по вольфрамовым спиралям, раскаляя их и далее уходит в сторону нуля
- Стартер оснащается парой контактов: подвижным и неподвижным. При поступлении тока подвижный контакт (биметаллический), нагреваясь, изменяет свою форму и соединяется с первым
- При этом сила тока тут же значительно увеличивается до предела, ограничиваемого дросселем. Происходит разогревание электродов
- Пластина стартера, напротив, начинает остывать и рассоединяет контакты. В этот момент происходит резкий скачек напряжения и пробивка электронами газа. При превращении ртути в пар источник света переходит в рабочий режим
- Стартер в процессе уже не участвует – его контакты разомкнуты.
Гирлянда из бумаги своими руками, на Новый год или Хэллоуин: схемы, шаблоны и пошаговые инструкции | (100+ Фото & Видео)
Как устроена и работает ЛДС
Конструктивно прибор представляет собой герметичную колбу, заполненную инертным газом и парами ртути. Внутренняя поверхность колбы покрыта люминофором, а в торцы ее впаяны электроды. При подаче напряжения на электроды, между ними возникает тлеющий разряд, создающий невидимое ультрафиолетовое излучение. Это излучение воздействует на люминофор, заставляя его светиться.

Схема люминесцентной лампы

Все это ЛДС, работающие на одном принципе.
Для нормальной работы люминесцентного светильника необходимо выполнить два условия:
- Обеспечить начальный пробой межэлектродного промежутка (запуск).
- Стабилизировать ток через лампочку, чтобы тлеющий разряд не перешел в дуговой (работа).
Пуск лампы
В обычных условиях питающего напряжения недостаточно для электрического пробоя межэлектродного промежутка, поэтому пуск ЛДС возможет только с помощью дополнительных мер – разогрева электродов для начала термоэлектронной эмиссии или повышения напряжения питания до значений, достаточных для создания разряда.
До недавнего времени преимущественно использовался первый метод, для чего электроды делались (и делаются) в виде спиралей, наподобие тех, что стоят в обычных лампочках накаливания. В момент включения на спирали при помощи автоматических устройств (стартеров) подается напряжение, электроды разогреваются, обеспечивая зажигание светильника. После пуска системы стартер отключается и в процессе дальнейшей работы не участвует.

Стартеры для пуска ЛДС на различные напряжения
Позже начали появляться схемотехнические решения, не разогревающие электроды, а подающие на них повышенное напряжение. После пробоя межэлектродного промежутка напряжение автоматически снижается до номинального, и светильник переходит в рабочий режим. Для того чтобы ЛДС можно было использовать с любыми типами пусковых устройств, все они и по сей день выполняются с электродами в виде спиралей накаливания, имеющих по два вывода.
Поддержание рабочего режима
Если ЛДС напрямую включить в розетку, то начавшийся после поджига тлеющий разряд тут же перейдет в дуговой, поскольку ионизированный межэлектродный промежуток имеет очень малое сопротивление. Чтобы избежать этой ситуации, ток через прибор ограничивается специальными устройствами – балластами. Разделяются балласты на два типа:
- Электромагнитные (дроссельные).
- Электронные.
Работа электромагнитных пускорегулирующих аппаратов (ЭмПРА) основана на принципе электромагнитной индукции, а сами они представляют собой дроссели – катушки, намотанные на незамкнутом железном сердечнике. Такая конструкция обладает индуктивным сопротивлением переменному току, которое тем больше, чем выше индуктивность катушки. Дроссели различаются по мощности и рабочему напряжению, которые должны равняться мощности и напряжению используемой лампы.

Электромагнитные дроссели (балласты) для ЛДС мощностью 58 (вверху) и 18 Вт.
Электронные пускорегулирующие аппараты (ЭПРА) выполняют ту же функцию, что и электромагнитные, но ограничивают ток при помощи электронной схемы:

Электронное пускорегулирующее устройство для люминесцентной лампы
Как подключить лампу
Люминесцентную лампу можно подключить несколькими способами. Выбор зависит от условий эксплуатации и предпочтений пользователя.
Подключение с использованием электромагнитного балласта
Распространен метод подключения с использованием стартера и ЭмПРА. Питание в сети запускает стартер, который замыкает биметаллические электроды.
Ограничение тока в схеме осуществляется за счет внутреннего дроссельного сопротивления. Рабочий ток можно увеличить практически в три раза. Стремительный нагрев электродов и появление процесса самоиндукции вызывают зажигание.

Подключение при помощи ЭмПРА.
Сравнивая метод с другими схемами подключения ламп дневного света, можно сформулировать недостатки:
- значительный расход электроэнергии;
- длительный запуск, который может занимать 3 с;
- схема не способна функционировать в условиях пониженных температур;
- нежелательное стробоскопическое мигание, негативно влияющее на зрение;
- дроссельные пластинки по мере износа могут издавать гудение.
Схема включает один дроссель на две лампочки, для одноламповой системы метод не подойдет.
Две трубки и два дросселя
В данном случае реализуется последовательное подключение нагрузок с подачей фазы на вход сопротивления.
Выход через фазу соединяется с контактом осветительного прибора. Второй контакт направляется на нужный вход стартера.

Схема с двумя трубками и двумя дросселями.
От стартера контакт идет к лампе, а свободный полюс — к нулю схемы. Так же подключается второй светильник. Подсоединяется дроссель, после чего монтируется колба.
Схема подключения двух ламп от одного дросселя
Для подсоединения двух осветительных приборов от одного стабилизатора потребуется два стартера. Схема экономная, поскольку дроссель это наиболее дорогой компонент системы. Схема показана на рисунке ниже.

Схема подключения двух светильников от одного дросселя.
Электронный балласт
Электронный балласт представляет собой современный аналог традиционного электромагнитного стабилизатора. Он значительно улучшает пуск схемы и делает использование осветительного прибора более комфортным.

Такие аппараты не гудят во время работы и потребляют значительно меньше электроэнергии. Мерцаний не появляется даже при низких частотах напряжения.

Подключение с помощью электронного балласта.
Обмотки трансформатора в данном случае включаются противофазно, а генератор нагружается высокочастотным напряжением. При подаче резонансного напряжения внутри колбы происходит пробой газовой среды, который порождает необходимое свечение.
Сразу после розжига сопротивление и подаваемое на нагрузку напряжение падают. Запуск при помощи схемы обычно занимает не более секунды. Причем можно легко использовать источники освещения без стартера.
Использование умножителей напряжения

Использование умножителей напряжения.
Метод помогает использовать люминесцентную лампу без электромагнитной балансировки. В ряде случаев он наиболее эффективен и продлевает срок службы аппарата. Даже перегоревшие приборы способны проработать некоторое время при мощностях, не превышающих 40 Вт.
Схема выпрямления дает значительное ускорение и возможность увеличить напряжение в два раза. Для его стабилизации используются конденсаторы.

Тематическое видео: Подробно про умножитель напряжения
Важно помнить, что люминесцентные лампочки не предназначены для работы с постоянным током. С течением времени ртуть скапливается в определенном участке, что снижает яркость
Для восстановления показателя необходимо периодически менять полярность, переворачивая колбу. Можно установить переключатель, чтобы не разбирать прибор.
Подключение без стартера

Схема подключения без стартера.
Стартер увеличивает время разогрева прибора. Однако он недолговечен, поэтому пользователи задумываются о подключении освещения без него через вторичные трансформаторные обмотки.
В продаже можно найти аппараты с маркировкой RS, которая говорит о возможности подключения без стартера. Установка такого элемента в осветительный прибор помогает значительно сократить время зажигания.
Как устроено приспособление?
Опционально стартер (пускатель) достаточно прост. Элемент представлен небольшой газоразрядной лампой, способной формировать при низком давлении газа и малом токе, тлеющий разряд.
Этот стеклянный малогабаритный баллон заполнен инертным газом – смесью гелия или неоном. В него впаяны подвижные и неподвижные электроды из металла.
Все электродные спирали лампочки оснащены двумя клеммными блоками. Одна из клемм каждого контакта задействована в цепи электромагнитного балласта. Остальные — подключены к катодам пускателя.
Расстояние между электродами пускателя не существенно, поэтому посредством напряжения сети его легко можно пробить. При этом образуется ток и нагреваются элементы, входящие в электроцепь с определенной долей сопротивления. Именно стартер и входит в число этих элементов.
Конструкции стартеров для люминесцентных ламп имеют практически идентичное устройство: 1 – дроссель; 2 – стеклянная колба; 3 – пары ртути; 4 – клеммы; 5 – электроды; 6 – корпус; 7 – биметаллический контакт; 8 – инертная газовая субстанция; 9 – вольфрамовые нити накала ЛДС; 10 – капля ртути; 11 – разряд дуги в колбе (+)
Колба размещена внутри корпуса из пластмассы или металла, выполняющего роль защитного кожуха. В некоторых образцах сверху крышки дополнительно есть специальное смотровое отверстие.
Самым востребованным материалом для производства блока считается пластик. Постоянное воздействие высоких температурных режимов позволяет выдержать специальный состав пропитки — люминофор.
Приспособления выпускаются с парой ножек, выполняющих роль контактов. Они изготовлены из разных видов металла.
В зависимости от типа конструкции электроды могут быть симметричными подвижными или асимметричными с одним подвижным элементом. Их выводы проходят через патрон лампы.
Параллельно электродам колбы подключен конденсатор, емкостью 0,003-0,1 мкф. Это важный элемент, снижающий уровень радиопомех и также участвующий в процессе загорания лампы
Обязательной деталью в устройстве является конденсатор, способный сглаживать экстратоки и в тоже время размыкать электроды прибора, осуществляя гашение дуги, возникающей между токоведущими элементами.
Без этого механизма есть большая вероятность спайки контактов при возникновении дуги, что существенно снижает срок эксплуатации пускателя.
В быту наиболее популярны образцы балластов с симметричной системой контактов и электросхемой пуска. Такие образцы меньше подвергаются влиянию падения напряжения в электрической сети
Правильная работа стартера обусловлена напряжением питающей сети. При снижении номинальных величин до 70-80%, люминесцентная лампа может не зажечься, т.к. не будет производиться достаточный нагрев электродов.
В процессе подбора нужного пускателя, учитывая конкретную модель лампы дневного света (люминесцентной или ЛЛ), необходимо дополнительно проанализировать технические характеристики каждого вида, а также определиться с производителем.
Замена лампы
Если отсутствует свет и причина проблемы лишь в том, чтобы заменить перегоревшую лампочку, действовать нужно следующим образом:
Разбираем светильник
Делаем это осторожно, чтобы не повредить прибор. Поворачиваем трубку по оси
Направление движения указано на держателях в виде стрелочек.
Когда трубка повернута на 90 градусов, опускаем ее вниз. Контакты должны выйти через отверстия в держателях.
Контакты новой лампочки должны находиться в вертикальной плоскости и попадать в отверстие. Когда лампа установлена, поворачиваем трубку в обратную сторону. Остается лишь включить электропитание и проверить систему на работоспособность.
Завершающее действие — монтаж рассеивающего плафона.
Преимущества и недостатки
Главным плюсом люминесцентных устройств будет высокая светоотдача и отличный уровень КПД. Они дают помещению хорошую яркость, которая не портит глаза, и исправно работают спустя долгие часы.
Различные цветовые температуры, похожие по оттенку на дневной свет, помогают выбрать необходимый светильник под разнообразные задачи и для помещений любого предназначения.
Свет от таких ламп будет рассеянным. Мягкое, приятное для глаз сияние испускается не только от нити из вольфрама, но и от всего сосуда лампочки сразу.
Это позволяет применять люминесцентное освещение не только для подсветки, но и для зонирования помещения.
Срок службы люминесцентных устройств будет в диапазоне от 10000 до 20 000 часов либо до 4 лет.
Освещение для растений
Главным большим недостатком лампочек будет высокая чувствительность к температурным скачкам. Уже при температуре −15 градусов изделие будет плохо работать. При высокой жаре лампочки перестают включаться и могут сильно перегреться.
Подключение ЭПРА

Подсоединение ЭПРА (электронного пускового механизма)
Дроссели являются довольно шумными устройствами. Поэтому их последние годы подключают в систему люминесцентного освещения нечасто, заменяя их ЭПРА, цифровыми или аналоговыми.
В стартере подобные устройства уже не нуждаются. По сути, электронные пусковые устройства – это небольшие электронные платы. Они сами способны регулировать уровень напряжения и обеспечивают ровный свет, без мерцания. Плюс они более безопасны и менее пожароопасны в эксплуатации и имеют больший срок службы.
Вариантов реализации ЭПРА может быть немало, но основных способов запуска два:
- источники предварительно разогревают; это помогает увеличить КПД прибора и снизить его мерцание
- с использованием колебательного контура; нить накала в этом случае является его частью; при прохождении разряда параметры контура меняются, в результате напряжение падает до требуемого уровня
Избавиться от надоедливого гудения и моргания можно, заменив старый дроссель на современный электронный пускорегулирующий механизм. Для этого следует:
- Разобрать старую схему, удалив из нее дроссель, стартер, а также конденсаты. Внутри должны остаться лишь источник света и провода
- Прикрепляем подобранный по мощности ЭПРА к корпусу саморезами. Если ламп две, то мощность электронного механизма должна быть выше в 2 раза
- Соединяем его проводами с гнездами ламп
- Если сборка произведена правильно, оба источника света должны засветиться одновременно, ровным ярким светом. Гудения, естественно, быть уже не должно.
Достоинства и недостатки люминесцентных источников света

Использование ламп для тепличного выращивания растений
ПЛЮСЫ:
- Первым значительным плюсом таких устройств является существенная экономия электроэнергии. Источники света последнего поколения, работающие по этому принципу, тратят ее в 4-5 раз меньше, чем обычные лампы накаливания.
- Кроме высокой светоотдачи, положительным моментом является длительный срок службы. Он может составлять 12-25 тыс. часов. Подобные устройства часто используют для контрастного освещения помещений большой площади (офисов, торговых центров, школ) или уличного освещения. Используют их на транспорте, в уличных фонарях, туннелях.
МИНУСЫ:
- Необходимость подключения дополнительных устройств (стартеров и дросселей)
- Доминирование в спектре желтого света и искажение цветопередачи освещаемых предметов
- Значительные габариты колбы, из-за чего становится сложно равномерно перераспределить поток света
- На силу света в таких источниках способна влиять температура окружающей среды
- Разогрев лампы происходит не сразу; полную яркость она набирает спустя некоторое время, иногда оно может длится 10-15 минут
- значительная пульсация света, что может сказаться отрицательно на зрении
- Наличие, пусть в минимальных количествах ртути, опасной для здоровья человека, растений и животных
Последними разработками ученых стали компактные люминесцентные источники освещения, внешне схожие с обычными лампами накаливания. Они снабжены стандартным патроном, и их можно легко вкрутить в любую люстру или торшер. Никакой модернизации при этом не требуется.
Вся пускорегулирующая аппаратура (ПРА) в них расположена в самом патроне или выносится отдельно в небольшие блоки. Подобные устройства часто называют энергосберегающими.

Сравнение параметров разных источников освещения
Но все же последние годы пользователи предпочитают подключать вместо люминесцентных ламп современные светодиодные. Принцип работы этих устройств существенно отличается. Люминесцентные колбы заполняются газом и парами ртути, и световое излучение образуется за счет разогревания вольфрамовой спирали. В светодиодных устройствах излучателем света является группа диодов или единичный светодиод. Именно он преобразует ток в световые лучи при протекании его через полупроводник.
Подобные устройства не только более прочны и менее опасны (повреждение люминесцентных же грозит попаданием в организм человека ртути). КПД светодиодных источников освещения гораздо больше, поэтому они более экономичны. Схема подключения люминесцентной или светодиодной лампы в обеих случаях максимально проста – достаточно лишь вкрутить ее патрон в цоколь.
Подробно о способах подключения люминесцентных ламп смотрите на следующем видео:
Кратко об особенностях работы ламп

Строение люминесцентной лампы
Каждый из таких приборов является герметичной колбой, наполненной специальной смесью газов. При этом смесь рассчитана таким образом, чтобы на ионизацию газов уходило гораздо меньшее по сравнению с обыкновенными лампами накаливания количество энергии, что позволяет заметно экономить на освещении.
Чтобы люминесцентная лампа постоянно давала свет, в ней должен поддерживаться тлеющий разряд. Для обеспечения такового осуществляется подача требуемого напряжения на электроды лампочки. Главная проблема заключается в том, что разряд может появиться только при подаче напряжения, существенно превышающего рабочее. Однако и эту проблему производители ламп с успехом решили.

Люминесцентные лампы
Электроды установлены по обеим сторонам люминесцентной лампы. Они принимают напряжение, благодаря которому и поддерживается разряд. У каждого электрода есть по два контакта. С ними соединяется источник тока, благодаря чему обеспечивается прогревание окружающего электроды пространства.
Таким образом, люминесцентная лампа зажигается после прогрева ее электродов. Для этого они подвергаются воздействию высоковольтного импульса, и лишь затем в действие вступает рабочее напряжение, величина которого должна быть достаточной для поддержания разряда.

Сравнение ламп
| Световой поток, лм | Светодиодная лампа, Вт | Контактная люминисцентная лампа, Вт | Лампа накаливания, Вт |
| 50 | 1 | 4 | 20 |
| 100 | 5 | 25 | |
| 100-200 | 6/7 | 30/35 | |
| 300 | 4 | 8/9 | 40 |
| 400 | 10 | 50 | |
| 500 | 6 | 11 | 60 |
| 600 | 7/8 | 14 | 65 |
Под воздействием разряда газ в колбе начинает излучать ультрафиолетовый свет, невосприимчивый человеческим глазом. Чтобы свет стал видимым человеку, внутренняя поверхность колбы покрывается люминофором. Это вещество обеспечивает смещение частотного диапазона света в видимый спектр. Путем изменения состава люминофора, меняется и гамма цветовых температур, благодаря чему обеспечивается широкий ассортимент люминесцентных ламп.

Как подключить люминесцентную лампу
Лампы люминесцентного типа, в отличие от простых ламп накаливания, не могут просто включаться в электрическую сеть. Для появления дуги, как отмечалось, должны прогреться электроды и появиться импульсное напряжение. Эти условия обеспечиваются при помощи специальных балластов. Наибольшее распространение получили балласты электромагнитного и электронного типа.
Общие сведения о люминесцентных лампах
Оттенок цвета люминесцентной лампы, как и светодиодной, зависит от цветовой температуры. При t = 4 200 К свет от прибора будет белым, и маркироваться она будет как ЛБ. Если же t = 6 500 К, то освещение приобретает чуть синеватый оттенок, становится более холодным. Тогда при маркировке указывается, что это лампа ЛД, т. е. «дневная». Интересен тот факт, что при исследованиях выявлено – лампы с более теплым оттенком имеют более высокий КПД, хотя на глаз кажется, что холодные цвета светят немного ярче.
И еще один момент, касающийся размеров. В народе люминесцентную лампу Т8 на 30 Вт называют «восьмидесяткой», подразумевая, что ее длина – 80 см, что не соответствует действительности. На самом деле длина составляет 890 мм, что на 9 см длиннее. Вообще же самые ходовые ЛЛ – это как раз Т8. Их мощность зависит от длины трубки:
- Т8 на 36 Вт имеет длину в 120 см;
- Т8 на 30 Вт – 89 см («восьмидесятка»);
- Т8 на 18 Вт – 59 см («шестидесятка»);
- Т8 на 15 Вт – 44 см («сороковка»).
Монтаж двух ламп

Варианты подключений
Какое бы количество источников света не требовалось включить в осветительную систему, все они подключаются последовательно. Для запуска двух ламп потребуется соответственно два стартера. Их подсоединяют параллельно.
Итак, опишем процесс подключения сразу 2 люминесцентных ламп:
- Фаза вначале должна подходить ко входу дросселя
- От него она должна поступать к первой лампе
- Затем направляться к первому стартеру
- Далее переходить на вторую контактную пару этого же источника света
- Выходящий контакт соединяют с нулем
- Точно в такой же последовательности подсоединяют вторую трубу. Первым – ПРА. Затем контакт второго источника света и т.д.
Если вы поняли принцип этой схемы, то легко сможете этим же способом подключить 3 или 4 люминесцентных лампы.
Как нарезать резьбу на полипропиленовой трубе, которая выдержит давление более 40 атмосфер? | ТОП-3 Способа
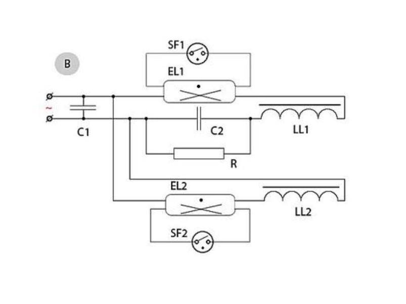
Двухламповая схема подключения люминесцентных ламп
На примере двух 18-ваттных люминесцентных ламп рассмотрим, что необходимо для подключения и как проводится работа. Схема подключения с указанием проводов приведена ниже.
Для подключения последовательно двух люминесцентных светильников вам понадобится:
- 2 люминесцентные лампы (в данном случае мощностью 18/20 Вт);
- Индукционный дроссель (для описанной схемы мощность 36/40Вт);
- 2 стартера S2 (4-22Вт).
Для начала к каждому из линейных люминесцентных светильников подключается параллельно стартер. Для этого необходимо задействовать по одному штыревому выходу с двух торцов каждой лампы. Оставшиеся свободными контакты подключаются последовательно, через индукционный электромагнитный дроссель, к сети электропитания.
Для того, чтобы компенсировать реактивную мощность, а также с целью снизить помехи, регулярно возникающие в любой в электросети, подключаются конденсаторы, параллельно запитывающим контактам ламп. Однако, имейте в виду, что контакты многих стандартных бытовых выключателей, особенно недорогих, могу залипать от высоких пусковых токов.
Водителям и автолюбителям часто приходится сталкиваться с решением вопроса — как проверить аккумулятор автомобиля на работоспособность. Существует несколько способов это сделать: как с помощью дополнительных приборов, так и без них.
О различных методах проверки генератора можно узнать отсюда, а правильно установить к домашней сети генератор поможет полезное руководство.
Современная пускорегулирующая аппаратура имеет небольшие габариты и устроена таким образом, чтобы не просто подключать светильники, но и обеспечивать надежность и безопасность работы схем, защиту от перепадов напряжения и других факторов. С помощью электронных схем можно реализовать подключение более сложных систем, например, подсветку рекламных стендов, организовывать освещение больших промышленных или складских помещений.
Также люминесцентные технологии и подключение линейных источников света используется в медицинских заведениях, офисных помещениях. Тут пускорегулирующая аппаратура позволяет обеспечить бесперебойное освещение, безопасность, легкость и оперативность замены сгоревших (выработавших свой ресурс) ламп. При этом особенности конструкции самих ламп и электронных современных дросселей обеспечивают высокую эффективность и экономичность использования таких технологий. Поэтому очевидна тенденция повсеместного перехода на современные экологичные и экономичные люминесцентные светильники.
Схемы и способы подключения не сложны, требуют минимум оборудования и доп. элементов, которые всегда находятся в открытой продаже.





































